過孔式導電滑環是目前工業滑環里面性價比最高,最暢銷的一個系列產品,主要應用于360度連續旋轉且需要保證電源,信號不能中斷的場合:如各種雷達,安防設備,娛樂設備,各種機器人、機械手,各種浮空器,各種風力發電設備吹瓶機,燈檢機,各種轉臺,游樂游藝設備,虛擬3D,VR設備, 車載衛星天線,船載衛星電線,電纜卷筒,擦窗機設備,旋轉餐桌,旋轉舞臺,旋轉屏幕,旋轉餐廳,電動工程機械,最新的VR模擬仿真設備等。;
產品等級選型表 | |||
產品等級代號 | 最高轉速 | 工作壽命 | 接觸材料 |
VC(通用級) | 250RPM | 2000萬轉 | 貴金屬 |
VD(工業級) | 600RPM | 8000萬轉 | 鍍金-鍍金 |
VH(高端級) | 1000RPM | 1.5億轉 | 金合金 |
技術規格參數 | ||||
機械技術指標 | 電氣技術指標 | |||
參數 | 數值 | 參數 | 數值 | |
工作壽命 | 參考產品選型等級 | 功率 | 信號 | |
額定轉速 | 參考產品選型等級 | 額定電壓 | 0~690VAC/VDC | 0~440VAC/VDC |
工作溫度 | -30℃~80℃ | 絕緣電阻 | ≥1000MΩ/500VDC | ≥1000MΩ/500VDC |
工作濕度 | 0~85% RH | 導線規格 | AWG16#鍍錫鐵氟龍 | AWG22#鍍錫鐵氟龍 |
接觸材料 | 參考產品等級選型表 | 導線長度 | 標準長度300mm(可據要求調整) | |
殼體材料 | 鋁合金 | 絕緣強度 | 800VAC@50Hz,60s | |
轉動扭矩 | 0.1N.m;+0.03N.m/6路 | 動態電阻變化值 | <0.01Ω | |
防護等級 | IP51 |
MT2586F系列過孔滑環選型表 | |||||||||
型號 | 10A | 信號或5A | 長度 L(mm) | 型號 | 10A | 信號或5A | 長度 L(mm) | ||
MT2586F-S02 | 0 | 2 | 31.6 | MT2586-P1210-S12 | 12 | 12 | 106.4 | ||
MT2586F-P0210 | 2 | 0 | 31.6 | MT2586-P1810-S06 | 18 | 6 | 106.4 | ||
MT2586F-S03 | 0 | 3 | 35 | MT2586F-P2410 | 24 | 0 | 106.4 | ||
MT2586F-P0310 | 3 | 0 | 35 | MT2586F-S30 | 0 | 30 | 126.8 | ||
MT2586F-S06 | 0 | 6 | 45.2 | MT2586F-P0610-S24 | 6 | 24 | 126.8 | ||
MT2586F-P0210-S04 | 2 | 4 | 45.2 | MT2586F-P1210-S18 | 12 | 18 | 126.8 | ||
MT2586F-P0410-S02 | 4 | 2 | 45.2 | MT2586F-P1810-S12 | 18 | 12 | 126.8 | ||
MT2586F-P0610 | 6 | 0 | 45.2 | MT2586F-P2410-S06 | 24 | 6 | 126.8 | ||
MT2586F-S12 | 0 | 12 | 65.6 | MT2586F-P3010 | 30 | 0 | 126.8 | ||
MT2586F-P0210-S10 | 2 | 10 | 65.6 | MT2586F-S36 | 0 | 36 | 150.2 | ||
MT2586F-P0310-S09 | 3 | 9 | 65.6 | MT2586F-P0610-S30 | 6 | 30 | 150.2 | ||
MT2586F-P0610-S06 | 6 | 6 | 65.6 | MT2586F-P1210-S24 | 12 | 24 | 150.2 | ||
MT2586F-P0810-S04 | 8 | 4 | 65.6 | MT2586F-P3610 | 36 | 0 | 150.2 | ||
MT2586F-P1010-S02 | 10 | 2 | 65.6 | MT2586F-S42 | 0 | 42 | 170.6 | ||
MT2586F-P1210 | 12 | 0 | 65.6 | MT2586F-P0610-S36 | 6 | 36 | 170.6 | ||
MT2586F-S18 | 0 | 18 | 86 | MT2586F-P1210-S30 | 12 | 30 | 170.6 | ||
MT2586F-P0210-S16 | 2 | 16 | 86 | MT2586F-S48 | 0 | 48 | 193.2 | ||
MT2586F-P0410-S14 | 4 | 14 | 86 | MT2586F-P0610-S42 | 6 | 42 | 193.2 | ||
MT2586F-P0610-S12 | 6 | 12 | 86 | MT2586F-P0910-S39 | 9 | 39 | 193.2 | ||
MT2586F-P0810-S10 | 8 | 10 | 86 | MT2586F-P1210-S36 | 12 | 36 | 193.2 | ||
MT2586F-P1010-S08 | 10 | 8 | 86 | MT2586F-P1810-S30 | 18 | 30 | 193.2 | ||
MT2586F-P1210-S06 | 12 | 6 | 86 | MT2586F-P2410-S24 | 24 | 24 | 193.2 | ||
MT2586F-P1410-S04 | 14 | 4 | 86 | MT2586F-S60 | 0 | 60 | 234 | ||
MT2586F-P1610-S02 | 16 | 2 | 86 | MT2586F-P0610-S54 | 6 | 54 | 234 | ||
MT2586F-S24 | 0 | 24 | 106.4 | MT2586F-P0910-S51 | 9 | 51 | 234 | ||
MT2586F-P0410-S20 | 4 | 20 | 106.4 | MT2586F-P1210-S48 | 12 | 48 | 234 | ||
MT2586F-P0610-S18 | 6 | 18 | 106.4 | MT2586F-S72 | 0 | 72 | 277.8 |
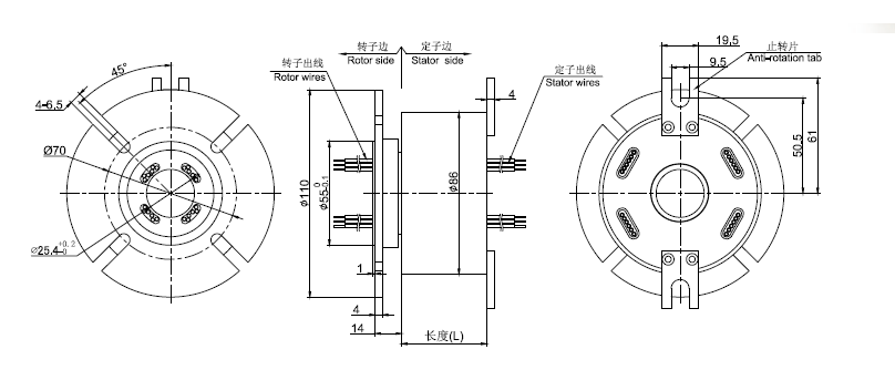
標準圖紙 ![]() |
經過多年的經驗積累,默孚龍擁有20萬多個產品3D圖檔數據庫,
由于互聯網的開放性和同行競爭,需要產品3D圖檔的客戶請留下電子郵箱或者QQ。
審核完聯系方式后,我們的系統將在5分鐘內把3D自動發動到您的電子郵箱!